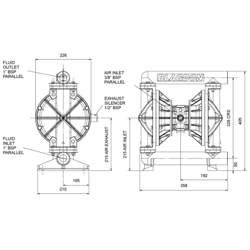
Specifications
- Maximum Delivery 180 ltrs/min (48 gal/min)
- Max. Working Pressure 8.6 bar (125 PSI)
- Max. Solid Particle Size 3 mm. (0.12″)
- Air Inlet 3/8″ NPT
- Temperature Limits Determined by Elastomers
- Suction Lift (Dry) 6.1 metres (20 feet)
- Suction Lift (Wet) 7.6 metres (24.9 feet)
- Fluid Inlet / Outlet 1″ BSP / NPT
- Installation Wall or Surface mounted
- Accessories Included Exhaust Air Silencer
- Shipping Weight
16 kg. (35.3 lbs) aluminum
25 kg. (55.1 lbs) cast iron/aluminum
25 kg. (55.1 lbs) stainless steel/aluminum
- Shipping Dimensions
400 x 300 x 470 mm
15.8″ x 11.8″ x 18.5″












Reviews
There are no reviews yet.